| Pikkus mm | |
|---|---|
| Värv | |
| Materjal |
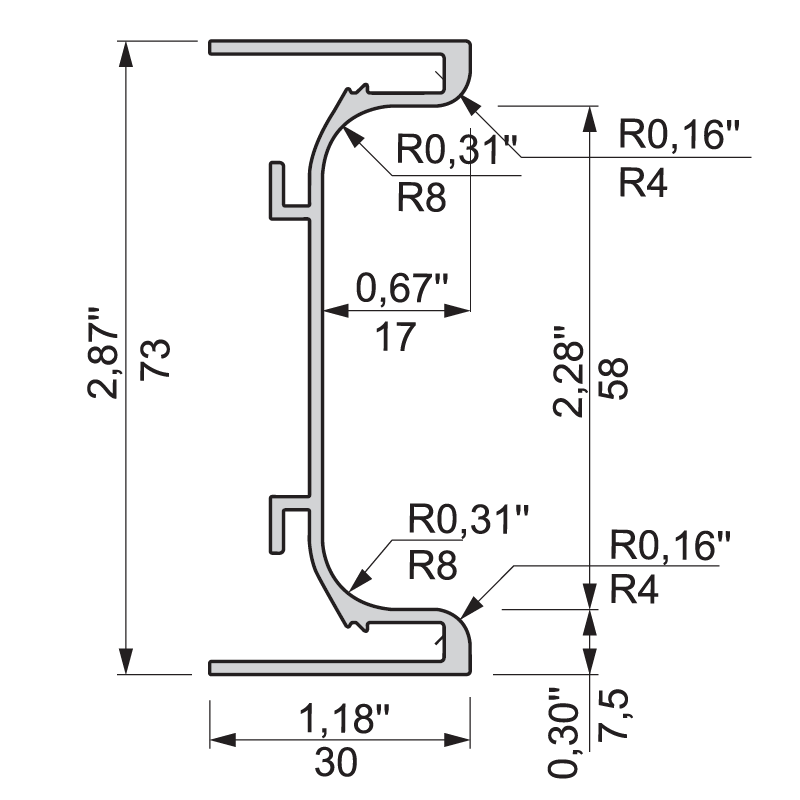
Gola C profiil käepidemeta sahtlile 3500 mm, alumiinium/šampanja anodeering (32)
99,45 € + km
Gola C – profiil pikkusega 3500 mm, ei saa paigaldada LED riba.
Materjal: alumiinium
Viimistlus: šampanja anodeering
Laos.
Tarne 0-3 tööpäeva








