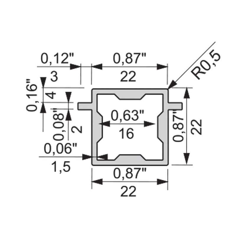
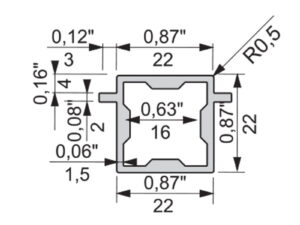
Konstruktsiooniprofiil kahepoolne, 22x22mm L3500 mm, alumiinium/must anodeering
78,30 € + km
Konstruktsioonprofiile kasutatakse erinevate alumiiniumprofiilkonstruktsioonide loomiseks.
Viimistlus: anodeeritud must.
Soovi korral on võimalik ka vastavalt RAL- värvikaardile pulbervärvida kontruktsiooniprofiil (küsi lisa).
Tellitav 2-3 nädalat
Kinnitusnurk 3D peithingele LUGO/TORINO/YENKA, vasak, tsink/haljas 





