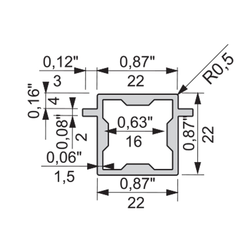
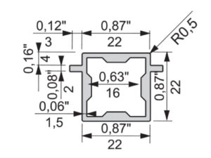
Konstruktsiooniprofiil kahepoolne, 22x22mm L3500 mm, alumiinium/roostevaba terase anodeering
96,00 € + km
Konstruktsioonprofiile kasutatakse erinevate alumiiniumprofiilkonstruktsioonide loomiseks.
Viimistlus: anodeeritud roostevaba teras.
Soovi korral on võimalik ka vastavalt RAL- värvikaardile pulbervärvida kontruktsiooniprofiil (küsi lisa).
Tellitav 2-3 nädalat
Konstruktsiooniprofiil kahepoolne, 22x22mm L3500 mm, alumiinium/roostevaba terase anodeering 





